色虎视频污下载描述
Socketweld Union Specification: | ||||||||||||
Size/尺寸 | 1/8″~4″ (DN6~DN100) | |||||||||||
Class/压力等级 | 3000 LBS, 6000 LBS, 9000 LBS | |||||||||||
Type/连接形式 | Sockeweld,承插焊 | |||||||||||
Surface Treatment/表面处理 | Hot Dipped Galvanizing, Epoxy & FBE Coating, Electro Polish, Sand Blasting, Soldering | |||||||||||
热浸镀锌、环氧树脂和FBE图层、电抛光、喷砂、发黑等。 | ||||||||||||
Materal/材质 | Stainless Steel, Alloy Steel, Duplex, Nickel Alloys, Low temperature Steel, Carbon Steel, Cupro Nickel 不锈钢,合金钢,双相钢,镍合金,低温钢,碳素钢,铜镍合金 | |||||||||||
Manufacturing process/制造工艺 | Cutting, Heat treatment, Forging, Machining | |||||||||||
锯切、热处理、模锻、机加工 | ||||||||||||
Manufacturing Standards/制造标准 | MSS SP-83 | |||||||||||
Socketweld Material Grades: | ||||||||||||
Stainless Steel/不锈钢 | ASTM A182 F304, 304L, 316, 316L,310S, 316Ti,317L | |||||||||||
Duplex & Super Duplex Steel/双相钢 | ASTM A 182 – F51, F53, F55, S31803, S32205, S32550, S31254, SMO254, S32750, S32760, S32950. | |||||||||||
Carbon Steel/碳钢 | ASTM/ ASME A 105, ASTM/ ASME A 350 LF 2 | |||||||||||
Alloy Steel/合金钢 | ASTM / ASME A 182, ASTM / ASME F5, F9, F11,F22, F 91 | |||||||||||
Copper Alloy Steel/铜合金 | Copper Alloy Steel Forged Threaded 90 Deg Elbow : ASTM / ASME SB 111 UNS NO. C 10100 , C 10200 , C 10300 , C 10800 , C 12000, C 12200, C 70600 C 71500, ASTM / ASME SB 466 UNS NO. C 70600 ( CU -NI- 90/10) , C 71500 ( CU -NI- 70/30) | |||||||||||
Nickel Alloy/镍合金 | ASTM / ASME SB 336, ASTM / ASME SB 564 / 160 / 163 / 472, UNS 2200 (NICKEL 200) , UNS 2201 (NICKEL 201 ) , UNS 4400 (MONEL 400 ) , UNS 8020 ( ALLOY 20 / 20 CB 3 ) , UNS 8825 INCONEL (825) , UNS 6600 (INCONEL 600 ) , UNS 6601 (INCONEL 601) , UNS 6625 (INCONEL 625) , UNS 10276 (HASTELLOY C 276) | |||||||||||
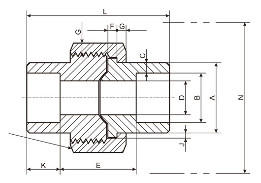
Union Dimesions: | ||||||||||||
![]() |
||||||||||||
Socket Weld Pressure Class | Pipe Schedule | |||||||||||
Class 3000 | S80/XH | |||||||||||
Class 6000 | S160 | |||||||||||
Class 9000 | XXH | |||||||||||
Nom | Pipe | Socket | Socket | Water | Laying | Male | Nut | Threads | Bearing | Depth | Length | Clear |
Pipe | End | Bore | Wall | Way | Length | Flange | (Min.) | Per | (Min.) | of | Assem. | Assem. |
Size | (Min.) | Dia. | (Min.) | Bore | (Min.) | 25.4mm | Socket | Nom. | Nut | |||
(Min.) | ||||||||||||
A | B | C | D | E | F | G | H | J | K | L | N | |
1/8" | 21.8 | 11.18 | 3.18 | 7.59 | 22.4 | 3.18 | 3.18 | 16 | 1.24 | 9.7 | 41.4 | 50.8 |
10.67 | 6.07 | 19.1 | ||||||||||
1/4" | 21.8 | 14.61 | 3.3 | 10.01 | 22.4 | 3.18 | 3.18 | 16 | 1.24 | 9.7 | 41.4 | 50.8 |
14.1 | 8.48 | 19.1 | ||||||||||
3/8" | 25.9 | 18.03 | 3.51 | 13.28 | 26.9 | 3.43 | 3.43 | 14 | 1.37 | 9.7 | 46 | 55.9 |
17.53 | 11.76 | 20.6 | ||||||||||
1/2" | 31.2 | 22.23 | 4.09 | 16.56 | 26.9 | 3.68 | 3.68 | 14 | 1.5 | 9.7 | 49 | 58.4 |
21.73 | 15.04 | 20.6 | ||||||||||
3/4" | 37.1 | 27.56 | 4.27 | 21.69 | 31.8 | 4.06 | 4.06 | 11 | 1.68 | 12.7 | 56.9 | 66 |
27.05 | 20.17 | 25.4 | ||||||||||
1" | 45.5 | 34.29 | 4.98 | 27.41 | 34.3 | 4.57 | 4.45 | 11 | 1.85 | 12.7 | 62 | 78.7 |
33.78 | 25.88 | 26.2 | ||||||||||
1-1/4" | 54.9 | 43.05 | 5.28 | 35.81 | 40.6 | 5.33 | 5.21 | 11 | 2.13 | 12.7 | 71.1 | 94 |
42.55 | 34.29 | 32.5 | ||||||||||
1-1/2" | 61.5 | 49.15 | 5.54 | 41.66 | 42.2 | 5.84 | 5.59 | 10 | 2.31 | 12.7 | 76.5 | 111.8 |
48.64 | 40.13 | 34 | ||||||||||
2" | 75.2 | 61.62 | 6.05 | 53.26 | 45.5 | 6.6 | 6.35 | 10 | 2.69 | 15.7 | 86.1 | 132.1 |
61.11 | 51.74 | 37.3 | ||||||||||
2-1/2" | 91.7 | 74.45 | 7.67 | 64.24 | 61.7 | 7.49 | 7.11 | 8 | 3.07 | 15.7 | 102.4 | 149.9 |
73.81 | 61.19 | 52.1 | ||||||||||
3" | 109.2 | 90.42 | 8.31 | 79.45 | 63.8 | 8.26 | 8 | 8 | 3.53 | 15.7 | 109 | 175.3 |
89.79 | 76.4 | 53.6 |
(1)Dimensions in Millimeters(mm). |
(2)Upper and lower values for each size are the respective maximum and minimum dimensions. |
- 联系电话- 0317-6689999 6165555
- 业务邮箱- 9905791@qq.com
- 公司地址- 河北省沧州市盐山县城南工业开发区(中原管道南厂)
- 联系手机-15530461111(微信同步)-孟经理
- 联系电话- 0317-6689999 6165555
- 业务邮箱- 9905791@qq.com
- 公司地址- 河北省沧州市盐山县城南工业开发区(中原管道南厂)
- 联系手机-15530461111(微信同步)-孟经理
版权所有:河北色虎APP下载安装管道有限公司 冀ICP备19004948号-6