色虎视频污下载中心
色虎视频污下载应用于海洋、石油、石化、船舶、电力、热力、化工、天然气、城市工程装置、钢铁等领域。
半管接头
半管接头

Socket Weld Boss-半管接头

色虎视频污下载描述
Socketweld Boss Specification:
Size/尺寸 1/8″~4″ (DN6~DN100)
Class/压力等级 3000 LBS, 6000 LBS, 9000 LBS
Type/连接形式 Sockeweld,承插焊、Threaded,螺纹
Surface Treatment/表面处理 Hot Dipped Galvanizing, Epoxy & FBE Coating, Electro Polish, Sand Blasting, Soldering热浸镀锌,环氧树脂和FBE涂层,电抛光,喷砂,发黑
Materal/材质 Stainless Steel, Alloy Steel, Duplex, Nickel Alloys, Low temperature Steel, Carbon Steel, Cupro Nickel不锈钢、合金钢、双相钢、低温钢、碳钢、镍基合金
Manufacturing process/制造工艺 Cutting, Heat treatment, Forging, Machining
锯切、热处理、模锻、机加工
Manufacturing Standards/制造标准 BS-3799
Socketweld  Cap Material Grades:
Stainless Steel/不锈钢 ASTM A182 F304, 304L, 316, 316L,310S, 316Ti,317L
Duplex & Super Duplex Steel/双相钢  ASTM A 182 – F51, F53, F55, S31803, S32205, S32550, S31254, SMO254, S32750, S32760, S32950.
Carbon Steel/碳钢 ASTM/ ASME A 105, ASTM/ ASME A 350 LF 2
Alloy Steel/合金钢  ASTM / ASME A 182, ASTM / ASME F5, F9, F11,F22, F 91
Copper Alloy Steel/铜合金 Copper Alloy Steel Forged Threaded 90 Deg Elbow : ASTM / ASME SB 111 UNS NO. C 10100 , C 10200 , C 10300 , C 10800 , C 12000, C 12200, C 70600 C 71500, ASTM / ASME SB 466 UNS NO. C 70600 ( CU -NI- 90/10) , C 71500 ( CU -NI- 70/30)
Nickel Alloy/镍合金  ASTM / ASME SB 336, ASTM / ASME SB 564 / 160 / 163 / 472, UNS 2200 (NICKEL 200) , UNS 2201 (NICKEL 201 ) , UNS 4400 (MONEL 400 ) , UNS 8020 ( ALLOY 20 / 20 CB 3 ) , UNS 8825 INCONEL (825) , UNS 6600 (INCONEL 600 ) , UNS 6601 (INCONEL 601) , UNS 6625 (INCONEL 625) , UNS 10276 (HASTELLOY C 276)
Socketweld Cap Dimesions:
Socket Weld Pressure Class  Pipe Schedule
Class 3000 S80/XH
Class 6000 S160
Class 9000 XXH
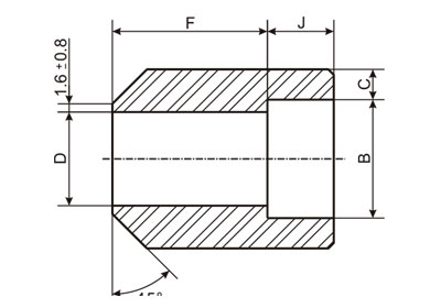
半管接头Boss结构图
DN Nom. B D J F C
Pipe (Min.) (Min.) (Min.)
Size   3000lb 6000lb 3000lb 6000lb 3000lb 6000lb 3000lb 6000lb
6 1/8" 10.7 6.8 --- 10 --- 28 --- 3.2 ---
8 1/4" 14.1 9.2 --- 10 --- 32 --- 3.3 ---
10 3/8" 17.6 12.5 --- 11 --- 34 --- 3.5 ---
15 1/2" 21.8 15.5 11.8 13 13 38 38 4.1 5.2
20 3/4" 27.4 21 15.5 13 13 38 38 4.3 6.1
25 1" 34.1 26.6 20.7 16 16 35 35 5 7
40 1-1/2" 49 40.5 34 19 19 32 32 5.6 7.8
50 2" 61 52 43 22 22 29 29 6.1 9.5
65 2-1/2" 73.8 62 54 22 22 29 29 7.7 10.4
80 3" 89.7 78 66 22 22 29 29 8.3 12.2

 

(1) Dimensions in Millimeters.
  • 联系电话- 0317-6689999  6165555 
  • 业务邮箱- 9905791@qq.com
  • 公司地址- 河北省沧州市盐山县城南工业开发区(中原管道南厂)
  • 联系手机-15530461111(微信同步)-孟经理
色虎APP下载安装管道

HEBEI ZHONGRAN PIPELINE CO., LTD.

河北色虎APP下载安装管道有限公司

  • 联系电话- 0317-6689999  6165555 
  • 业务邮箱- 9905791@qq.com
  • 公司地址- 河北省沧州市盐山县城南工业开发区(中原管道南厂)
  • 联系手机-15530461111(微信同步)-孟经理

版权所有:河北色虎APP下载安装管道有限公司    冀ICP备19004948号-6

网站建设:中企动力  石家庄

网站地图