色虎视频污下载描述
Buttweld Concentric Reducer Specification: | |||
形式/Type | 同心异径管、偏心异径管、同心大小头、偏心大小头 | ||
Concentric, Eccentirc | |||
原材料/Raw Material | 无缝管、焊管(SS)、板焊、圆钢(锻制高压用)。Seamless pipe, Welded pipe, Steel sheet. Round bar(Foring High pressure) | ||
制作工艺/Manufacture Process | 挤压、热压、冷加工、热加工、焊接、热处理 。Extrusion moulding, Hot Pressing, Cold-machining, Hot-machining, Welded, Heat treatment | ||
尺寸外径/Outside Diameter | Seamless Elbow ( 1/2″~24″), ERW / Welded / Fabricated Elbow (24″~60″) | ||
壁厚压力/Wall Thickness | 3mm – 40mm / SCH5, SCH10, SCH20, SCH30, SCH40, STD, SCH80, XS, SCH60, SCH80, SCH120, SCH140, SCH160, XXS | ||
增值服务/Value Added Services | 热浸镀锌,环氧树脂和FBE涂层,电抛光,喷砂,螺纹加工,焊接(Hot Dipped Galvanizing, Epoxy & FBE Coating, Electro Polish, Sand Blasting, Threading, Soldering) | ||
制造标准/Manufacturing Standards | ASME/ANSI B16.9, ASME B16.28, MSS-SP-43, GB/T12459, GB/T13401, SH3408, SH3409, JIS B2311/2220, DIN2617/2616/2615 | ||
Buttweld Concentric Reducer Material Grades: | |||
不锈钢/Stainless Steel | ASTM A403 WP304, 304L, 304H, 309, 310, 316, 316L, 317L, 321, 347 | ||
碳钢/Carbon Steel | 20#, 20G,Q235-A, ASTM A 234 WPB , WPBW, WPHY 42, WPHY 46, WPHY 52, WPH 60, WPHY 65 & WPHY 70 | ||
低温钢/Low Temperature Carbon Steel | 16Mn, ASTM A420 WPL3, A420 WPL6 | ||
合金钢/Alloy Steel | ASTM / ASME A/SA 234 Gr. WP 1, WP 5, WP 9, WP 11, WP 12, WP 22, WP 91, WB36, 12CrMo, 15Cr5Mo, 1Cr5Mo, 12Cr1MoV | ||
双相不锈钢钢/Duplex Steel | ASTM A 815, ASME SA 815 UNS NO S31803, S32205. S31254, 254SMO, S32750,904L | ||
镍合金/Nickel Alloy Steel | ASTM / ASME SB 336 UNS 2200 ( NICKEL 200 ), UNS 2201 (NICKEL 201 ), UNS 4400 (MONEL 400 ), UNS 8020 ( ALLOY 20 / 20 CB 3, UNS 8825 INCONEL (825), UNS 6600 (INCONEL 600 ), UNS 6601 ( INCONEL 601 ), UNS 6625 (INCONEL 625), UNS 10276 ( HASTELLOY C 276 ) | ||
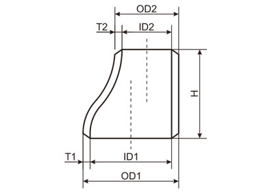
Buttweld Concentric Reducer Dimensions | |||
Nominal | Outside Diameter | Endtoend | |
Pipe Size | at Bevel | ||
(NPS) | Large End | Small End | |
3/4×1/2 | 26.7 | 21.3 | 38.1 |
3/4×3/8 | 17.3 | ||
1×3/4 | 33.4 | 26.7 | 50.8 |
1×1/2 | 21.3 | ||
11/4×1 | 42.2 | 33.4 | 50.8 |
11/4×3/4 | 26.7 | ||
11/4×1/2 | 21.3 | ||
11/2×11/4 | 48.3 | 42.2 | 63.5 |
11/2×1 | 33.4 | ||
11/2×3/4 | 26.7 | ||
11/2×1/2 | 21.3 | ||
2×11/2 | 60.3 | 48.3 | 76.2 |
2×11/4 | 42.2 | ||
2×1 | 33.4 | ||
2×3/4 | 26.7 | ||
21/2×2 | 73 | 60.3 | 88.9 |
21/2×11/2 | 48.3 | ||
21/2×11/4 | 42.2 | ||
21/2×1 | 33.4 | ||
3×21/2 | 88.9 | 73 | 88.9 |
3×2 | 60.3 | ||
3×11/2 | 48.3 | ||
3×11/4 | 42.2 | ||
31/2×3 | 101.6 | 88.9 | 101.6 |
31/2×21/2 | 73 | ||
31/2×2 | 60.3 | ||
31/2×11/2 | 48.3 | ||
31/2×11/4 | 42.2 | ||
4×31/2 | 114.3 | 101.6 | 101.6 |
4×3 | 88.9 | ||
4×21/2 | 73 | ||
4×2 | 60.3 | ||
4×11/2 | 48.3 | ||
5×4 | 141.3 | 114.3 | 127 |
5×31/2 | 101.6 | ||
5×3 | 88.9 | ||
5×21/2 | 73 | ||
5×2 | 60.3 | ||
6×5 | 168.3 | 141.3 | 139.7 |
6×4 | 114.3 | ||
6×31/2 | 101.6 | ||
6×3 | 88.9 | ||
6×21/2 | 73 | ||
8×6 | 219.1 | 168.3 | 152.4 |
8×5 | 141.3 | ||
8×4 | 114.3 | ||
8×31/2 | 101.6 | ||
8×3 | 88.9 | ||
8×21/2 | 73 | ||
10×8 | 273.1 | 29.1 | 177.8 |
10×6 | 168.3 | ||
10×5 | 141.3 | ||
10×4 | 114.3 | ||
12×10 | 323.9 | 273.1 | 203.2 |
12×8 | 219.1 | ||
12×6 | 168.3 | ||
12×5 | 141.3 | ||
14×12 | 355.6 | 323.9 | 330.2 |
14×10 | 273.1 | ||
14×8 | 219.1 | ||
14×6 | 168.3 | ||
16×14 | 406.4 | 355.6 | 355.6 |
16×12 | 323.9 | ||
16×10 | 273.1 | ||
16×8 | 219.1 | ||
18×16 | 457.2 | 406.4 | 381 |
18×14 | 355.6 | ||
18×12 | 323.9 | ||
18×10 | 273.1 | ||
18×8 | 219.1 | ||
20×18 | 508 | 457.2 | 508 |
20×16 | 406.4 | ||
20×14 | 355.6 | ||
20×12 | 323.9 | ||
20×10 | 273 | ||
22×20 | 558.8 | 508 | 508 |
22×18 | 457.2 | ||
22×16 | 406.4 | ||
22×14 | 355.6 | ||
22×12 | 323.8 | ||
24×22 | 609.6 | 558.8 | 508 |
24×20 | 508 | ||
24×18 | 457.2 | ||
24×16 | 406.4 | ||
24×16 | 355.6 | ||
24×16 | 323.8 | ||
26×24 | 660.4 | 609.6 | 609.6 |
26×22 | 558.8 | ||
26×20 | 508 | ||
26×18 | 457.2 | ||
26×16 | 406.4 | ||
26×14 | 355.6 | ||
28×26 | 711.2 | 660.4 | 609.6 |
28×24 | 609.6 | ||
28×22 | 559 | ||
28×20 | 508 | ||
28×18 | 457.2 | ||
28×16 | 406.4 | ||
28×14 | 355.6 | ||
30×28 | 762 | 711.2 | 609.6 |
30×26 | 660.4 | ||
30×24 | 609.6 | ||
30×22 | 559 | ||
30×20 | 508 | ||
30×18 | 457 | ||
30×16 | 406.4 | ||
30×14 | 355.6 | ||
32×30 | 813 | 762 | 609.6 |
32×28 | 711 | ||
32×26 | 660 | ||
32×24 | 610 | ||
32×22 | 559 | ||
32×20 | 508 | ||
34×32 | 863.6 | 812.8 | 609.6 |
34×30 | 762 | ||
34×28 | 711 | ||
34×26 | 711.2 | ||
34×24 | 660.4 | ||
34×22 | 559 | ||
36×34 | 914 | 864 | 609.6 |
36×32 | 813 | ||
36×30 | 762 | ||
36×28 | 711 | ||
36×26 | 660 | ||
36×24 | 610 | ||
36×22 | 559 | ||
38×36 | 965 | 914 | 609.6 |
38×34 | 864 | ||
38×32 | 813 | ||
38×30 | 762 | ||
38×28 | 711 | ||
38×26 | 660 | ||
38×24 | 610 | ||
40×38 | 1016 | 965 | 609.6 |
40×36 | 914 | ||
40×34 | 864 | ||
40×32 | 813 | ||
40×30 | 762 | ||
40×28 | 711 | ||
42×40 | 1067 | 1016 | 609.6 |
42×38 | 965 | ||
42×36 | 914.4 | ||
42×34 | 863.6 | ||
42×32 | 812.8 | ||
42×30 | 762 | ||
42×28 | 711 | ||
44×42 | 1117.6 | 1066.8 | 609.6 |
44×40 | 1016 | ||
44×38 | 965.2 | ||
44×36 | 914.4 | ||
44×34 | 864 | ||
44×32 | 813 | ||
46×44 | 1168.4 | 1117.6 | 711.2 |
46×42 | 1066.8 | ||
46×40 | 1016 | ||
46×38 | 965.2 | ||
46×36 | 914 | ||
46×34 | 864 | ||
48×46 | 1219.2 | 1168.4 | 711.2 |
48×44 | 1117.6 | ||
48×42 | 1066.8 | ||
48×40 | 1016 | ||
48×38 | 965 | ||
48×36 | 914 | ||
52×48 | 1321 | 1219 | 711.2 |
52×46 | 1168 | ||
52×44 | 1118 | ||
52×42 | 1067 | ||
52×40 | 1016 | ||
56×52 | 1422 | 1321 | 711.2 |
56×48 | 1219 | ||
56×44 | 1118 | ||
56×40 | 1016 | ||
60×56 | 1524 | 1422 | 711.2 |
60×52 | 1321 | ||
60×48 | 1219 | ||
60×44 | 1118 | ||
GB/T12459-2005, ANSI B16.9(in mm)*Wellgrow's Standard. |
- 联系电话- 0317-6689999 6165555
- 业务邮箱- 9905791@qq.com
- 公司地址- 河北省沧州市盐山县城南工业开发区(中原管道南厂)
- 联系手机-15530461111(微信同步)-孟经理
- 联系电话- 0317-6689999 6165555
- 业务邮箱- 9905791@qq.com
- 公司地址- 河北省沧州市盐山县城南工业开发区(中原管道南厂)
- 联系手机-15530461111(微信同步)-孟经理
版权所有:河北色虎APP下载安装管道有限公司 冀ICP备19004948号-6