色虎视频污下载中心
色虎视频污下载应用于海洋、石油、石化、船舶、电力、热力、化工、天然气、城市工程装置、钢铁等领域。
1648691704(1)
1648691704(1)

船舱通用焊接套管-疏排水连接套管

河北色虎APP下载安装管道有限公司专业色虎视频在线观看:船舱套管、通舱套管、船用焊接套管、连接套管、疏排水套管、不锈钢套管厂家。
色虎视频污下载描述

船用焊接套管

  

河北色虎APP下载安装管道有限公司专业色虎视频在线观看:船舱套管、通舱套管、船用焊接套管、连接套管、疏排水套管、不锈钢套管厂家。

范围

本标准规定了船用焊接套管(简称套管)连接的分类、技术要求、检验和标志。

本标准适用于介质为海水、淡水、疏排水、燃油、空气和蒸汽等管路的套管连接。

规范性引用文件

GB/T8163-1999         输送流体用无缝钢管

Q/SWS50-001-2003    船用无缝钢管简选系列

分类

3.1  型式

套管的型式规定如下:

TA型—连接套管

TB型—通舱套管

TC型—舱壁套管

TD型—铜管保护套管

3.2  基本参数

套管基本参数见表1。

套管的基本参数

 

公称压力 PN

MPa

公称通径 DN

mm

设计温度

   

TA

TB

TC

1.0

10~600

170

蒸汽

90

燃油

1.6

200

空气、水、液压油开式管路

TD

1.0

10~50

100

供水系统

3.3  结构和基本尺寸

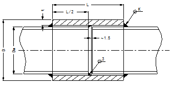
3.3.1  TA型连接套管的结构和基本尺寸按图1和表2。

图1  TA连接套管

表2  TA连接套管的基本尺寸

单位为毫米                      

公称

通径

DN

管子

外径

Dw

套   管

焊缝高度

重量

(kg)

D

t

L

K

10

14

22

3.5

40

3

0.10

15

22

32

4.5

4

0.18

20

27

38

5

0.20

25

34

48

6

50

5

0.31

32

42

57

6.5

60

0.49

40

48

63.5

7

0.59

50

60

76

80

6

0.83

65

76

95

8.5

100

7

1.63

80

89

114

11

120

8

2.52

100

114

140

12

140

9

3.79

125

140

168

13

160

10

5.96

150

168

203

16

200

11

11.20

200

219

254a

250

13

19.3

250

273

308 b

300

28.3

300

325

365c

18

38.6

350

377

418d

350

44.4

400

426

466e

49.4

450

480

520f

14

65.8

500

530

573g

19

400

69.1

600

630

674

20

80.5

注:a表示用钢管¢273×28机械加工成所需尺寸。

b表示用钢管¢325×25机械加工成所需尺寸。

c表示用钢管¢377×24机械加工成所需尺寸。

d表示用钢管¢426×22机械加工成所需尺寸。

e表示用钢管¢480×26机械加工成所需尺寸。

f表示用厚度18mm钢板卷制,开坡口双面焊,内孔机加工。

g表示用厚度20mm钢板卷制,开坡口双面焊,内孔机加工。

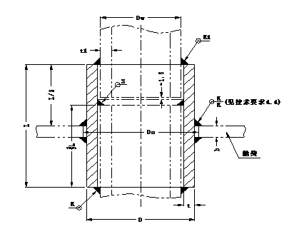
3.3.2  TB型通舱套管的结构和基本尺寸按图2和表3。

图2  TB型通舱套管

       表3  TB型通舱套管的基本尺寸

                                                            单位为毫米

公称

通径

DN

管子

外径

Dw

 

开孔直径

Do

焊缝高度

重量(kg)

D

t

L

K

K1

10

14

22

3.5

80

24

3

3

0.20

15

22

32

4.5

34

4

0.29

20

27

38

5

40

4

0.48

25

34

48

6

100

50

5

0.60

32

42

57

6.5

59

5

0.96

40

48

63.5

7

65.5

1.13

50

60

76

120

78

6

1.52

65

76

95

8.5

140

97

6

7

2.72

80

89

114

11

160

116

8

8

4.20

100

114

140

12

180

142

9

9

5.69

125

140

168

13

200

170

10

7.45

150

168

203

16

250

206

10

11

14.5

200

219

254a

300

257

12

13

21.3

250

273

308b

350

311

26.1

300

325

365c

18

368

38.5

350

377

418d

400

422

43.2

表3(续)  TB型通舱套管的基本尺寸

                                                            单位为毫米

公称

通径

DN

管子

外径

Dw

 

开孔直径

Do

焊缝高度

重量(kg)

D

t

L

K

K1

400

426

466e

18

400

469

12

13

59.3

450

480

520f

18

450

524

92.0

500

530

573

19

577

105.7

600

630

674

20

500

678

14

15

120.8

注:a 表示用钢管¢273×28机械加工成所需尺寸。

b表示用钢管¢325×25机械加工成所需尺寸。

c 表示用钢管¢377×24机械加工成所需尺寸。

d 表示用钢管¢426×22机械加工成所需尺寸。

e 表示用钢管¢480×26机械加工成所需尺寸。

f 表示用厚度18mm钢板卷制,开坡口双面焊,内孔机加工。

g 表示用厚度20mm钢板卷制,开坡口双面焊,内孔机加工。

3.3.3  TC型舱壁套管的结构和基本尺寸按图3和表4。

图3  TC型舱壁套管

表4  TC舱壁套管基本尺寸

                                         单位为毫米

公称

通径

DN

管子

外径

Dw

   

开孔直径

Do

焊缝高度

重量(kg)

D

t

L

K

K1

10

14

22

3.5

60

24

3

3

0.20

15

22

32

4.5

34

4

0.29

20

27

38

5

40

4

0.32

25

34

48

6

80

50

5

0.4

32

42

57

6.5

59

5

0.64

40

48

63.5

7

65.5

0.75

50

60

76

100

78

6

1.01

65

76

95

8.5

97

6

7

1.45

80

89

114

11

116

8

8

2.24

100

114

140

12

120

142

9

9

3.03

125

140

168

13

170

10

3.97

150

168

203

16

150

206

10

11

5.80

200

219

254a

257

12

13

8.52

250

273

308b

200

311

10.4

300

325

365c

18

368

12.3

350

377

418d

422

13.8

400

426

466e

469

15.8

450

480

520f

250

524

20.0

500

530

573g

19

577

21.8

600

630

674

20

300

678

14

15

23.2

注:a 表示用钢管¢273×28机械加工成所需尺寸。

b表示用钢管¢325×25机械加工成所需尺寸。

c 表示用钢管¢377×24机械加工成所需尺寸。

d 表示用钢管¢426×22机械加工成所需尺寸。

e 表示用钢管¢480×26机械加工成所需尺寸。

f 表示用厚度18mm钢板卷制,开坡口双面焊,内孔机加工。

g 表示用厚度20mm钢板卷制,开坡口双面焊,内孔机加工。

 

 

                                                         

                                                         

3.3.4  TD铜管保护套管的结构和基本尺寸按图4和表5。

 

 

图4  TD型铜管保护套管

     表5  TD型铜管保护套管的基本尺寸

                                                                单位为毫米

公称

通径

DN

管子

外径

Dw

 

开孔直径

Do

间隙

S

焊缝高度

K

重量(kg)

D

t

L

15

20

34

5

100

37

4

5

0.32

20

25

38

41

3

0.37

25

30

48

6

51

6

0.56

32

35

4.5

4

0.44

40

45

60

6

63

3

0.72

50

55

76

7

79

7

1.06

 

3.4  标记示例

套管外径D=76mm,壁厚t=7mm的连接套管标记为:

       套管  TA76×7  Q/SWS 34-010-2003

套管外径D=230mm,壁厚t=16mm的通舱套管标记为:

       套管  TB230×16  Q/SWS 34-010-2003

套管外径D=48mm,壁厚t=5mm的舱壁套管标记为:

       套管   TC48×5  Q/SWS 34-010-2003

技术要求

4.1  管件中套管材料为10号或20号无缝钢管,规格选用按Q/SWS 42-001-2003《船用无缝钢管简选系列》和GB8163-87《输送流体用无缝钢管》

4.2  用于非油类介质时应镀锌。

4.3  管件穿过的舱壁厚度过大,应根据规范决定本标准是否需要加强。

4.4  管件无法双面焊时,可用不留根坡口单面焊。当舱壁厚度bk时,则取k=b。

检验

5.1  套管由制造厂技术检查部门验收,并出具合格证书。

5.2  验收内容包括材料说明书,尺寸和外观。

标志

焊接套管应在其表面上打印下列标志:

  1. a 型号和标准号;
  2. b.检验合格印章。
  • 联系电话- 0317-6689999  6165555 
  • 业务邮箱- 9905791@qq.com
  • 公司地址- 河北省沧州市盐山县城南工业开发区(中原管道南厂)
  • 联系手机-15530461111(微信同步)-孟经理
色虎APP下载安装管道

HEBEI ZHONGRAN PIPELINE CO., LTD.

河北色虎APP下载安装管道有限公司

  • 联系电话- 0317-6689999  6165555 
  • 业务邮箱- 9905791@qq.com
  • 公司地址- 河北省沧州市盐山县城南工业开发区(中原管道南厂)
  • 联系手机-15530461111(微信同步)-孟经理

版权所有:河北色虎APP下载安装管道有限公司    冀ICP备19004948号-6

网站建设:中企动力  石家庄

网站地图