资质文件
坚持以科技为先导,以创新求发展,以质量求生存

船用焊接套管TC型连接套管尺寸

  • 分类:色虎视频污下载资料
  • 作者:色虎APP下载安装管道
  • 来源:河北色虎APP下载安装管道有限公司
  • 发布时间:2022-03-31
  • 访问量:653

【概要描述】

船用焊接套管TC型连接套管尺寸

【概要描述】

  • 分类:色虎视频污下载资料
  • 作者:色虎APP下载安装管道
  • 来源:河北色虎APP下载安装管道有限公司
  • 发布时间:2022-03-31
  • 访问量:653
详情

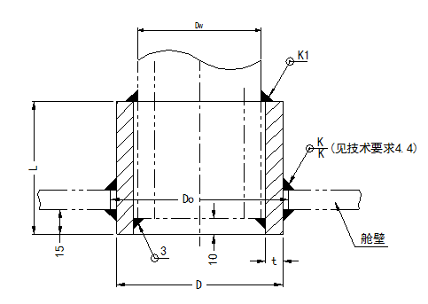
TC型舱壁套管的结构和基本尺寸按图3和表4。

图3  TC型舱壁套管

表4  TC舱壁套管基本尺寸

                                         单位为毫米

公称

通径

DN

管子

外径

Dw

   

开孔直径

Do

焊缝高度

重量(kg)

D

t

L

K

K1

10

14

22

3.5

60

24

3

3

0.20

15

22

32

4.5

34

4

0.29

20

27

38

5

40

4

0.32

25

34

48

6

80

50

5

0.4

32

42

57

6.5

59

5

0.64

40

48

63.5

7

65.5

0.75

50

60

76

100

78

6

1.01

65

76

95

8.5

97

6

7

1.45

80

89

114

11

116

8

8

2.24

100

114

140

12

120

142

9

9

3.03

125

140

168

13

170

10

3.97

150

168

203

16

150

206

10

11

5.80

200

219

254a

257

12

13

8.52

250

273

308b

200

311

10.4

300

325

365c

18

368

12.3

350

377

418d

422

13.8

400

426

466e

469

15.8

450

480

520f

250

524

20.0

500

530

573g

19

577

21.8

600

630

674

20

300

678

14

15

23.2

注:a 表示用钢管¢273×28机械加工成所需尺寸。

b表示用钢管¢325×25机械加工成所需尺寸。

c 表示用钢管¢377×24机械加工成所需尺寸。

d 表示用钢管¢426×22机械加工成所需尺寸。

e 表示用钢管¢480×26机械加工成所需尺寸。

f 表示用厚度18mm钢板卷制,开坡口双面焊,内孔机加工。

g 表示用厚度20mm钢板卷制,开坡口双面焊,内孔机加工。

扫二维码用手机看

  • 联系电话- 0317-6689999  6165555 
  • 业务邮箱- 9905791@qq.com
  • 公司地址- 河北省沧州市盐山县城南工业开发区(中原管道南厂)
  • 联系手机-15530461111(微信同步)-孟经理
色虎APP下载安装管道

HEBEI ZHONGRAN PIPELINE CO., LTD.

河北色虎APP下载安装管道有限公司

  • 联系电话- 0317-6689999  6165555 
  • 业务邮箱- 9905791@qq.com
  • 公司地址- 河北省沧州市盐山县城南工业开发区(中原管道南厂)
  • 联系手机-15530461111(微信同步)-孟经理

版权所有:河北色虎APP下载安装管道有限公司    冀ICP备19004948号-6

网站建设:中企动力  石家庄

网站地图